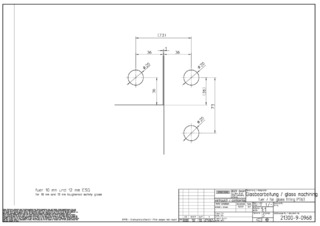
Fan light and connector patches

PT 63 * Glass Fitting fanlight and connector fitting with end stop

GEZE Glass Fitting PT 63 Glass fitting
  • Elegant cover caps made of polished or brushed stainless steel
  • Problem-free adjustment to glass thicknesses of 10 – 12 mm
Contact us

Application Areas

  • For static toughened glass assemblies
  • For glass thicknesses 10 and 12 mm
  • For internal and external systems

Technical data

PT 63
Dimensions 105 x 32 x 105 mm
Width 32 mm
Length 105 mm
Height 105 mm
Pane thickness (min.) 10 mm
Pane thickness (max.) 12 mm
Type of installation Glass installation

Downloads

Variants & Accessories

Contact

GEZE France +33-1-60-62-60-70 GEZE Service +33-800-8000-18