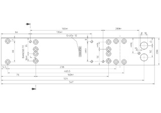
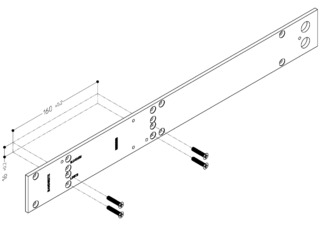
Plaque de montage pour ferme-portes * Pour TS 5000 RFS KM/TS 4000 R(-IS) avec schéma de perçage selon DIN EN 1154 annexe 1
- Avec schéma de perçage selon DIN EN 1154 annexe 1
Domaines d’application
- Montage du corps de fermeture selon le schéma de perçage DIN
Spécifications du produit
| Plaque de montage pour ferme-portes | |
| Plaque de montage avec schéma de perçage selon EN 1154, annexe | Oui |
Téléchargements
Variantes et accessoires
* Remarque concernant les produits présentés
Les produits mentionnés ci-dessus peuvent varier en termes de forme, de type, de caractéristiques et de fonction (design, dimensions, disponibilité, homologations, normes, etc.) selon les pays. Pour toute question, veuillez contacter votre interlocuteur GEZE ou nous écrire à E-Mail .