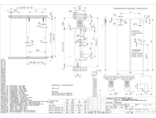
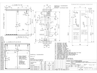
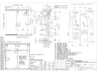
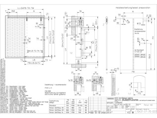
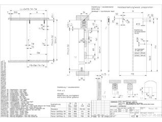
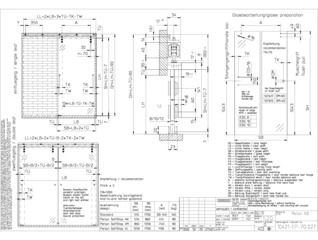
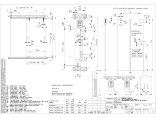
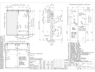
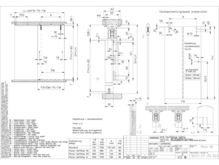
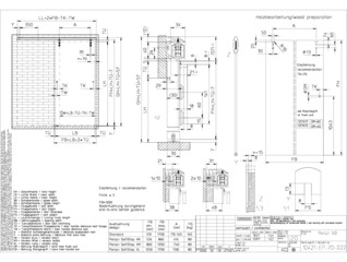
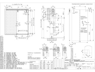
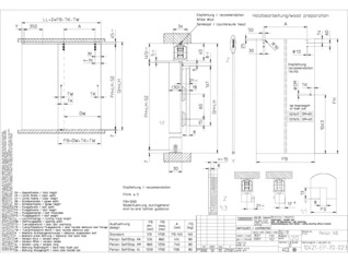
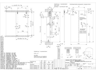
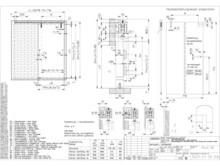
All-glass system stainless steel single point fixing set * Stainless steel single point fixing for toughened safety glass panes
- Stainless steel single point fixing for connecting toughened safety glass panes to sliding door fittings
Application Areas
- Perlan sliding door fitting
- For toughened safety glass
- For glass thicknesses 10 and 12 mm
Technical data
| All-glass system stainless steel single point fixing set | |
| Leaf material | Glass, Metal, Wood |
| Leaf weight (max.) | 140 kg |
| Leaf weight (max.) with draw-in damper | 80 kg |
| Corrosion protection class | 2 |
| Pane thickness | 8 - 12 mm |
| Colour | Stainless steel |
Downloads
LABELLING OBLIGATION: © GEZE GmbH
* Notice about the products displayed
The products mentioned above may vary in form, type, characteristics and function (design, dimensions, availability, approvals, standards etc.) depending on the country. For questions please contact your GEZE contact person or send us an E-Mail .