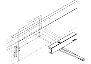
TS 4000 EFS * Overhead door closer with link arm for single leaf doors of up to 1400 mm leaf width with electric free swing function
- Closing force EN 1-6 with variable adjustment
- Operating voltage 24 V DC
- Can be used for right and left hand doors without conversion
- Free swing function makes it possible to pass through the door with little physical force required
- Free swing function once the door has been opened once to approx. 90°
- Smoke switch control unit can be connected, whose signal makes the door close automatically in the event of a fire
- Mechanical latching action which accelerates the door shortly before the closed position
- Closing speed can be individually adjusted
- Visual closing force display for easy control of the setting
- All functions can be set from the front (except for latching action)
Application Areas
- Fire and smoke protection doors
- Right and left single-action doors
- Single-action doors up to 1400 mm leaf width
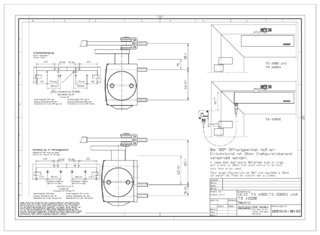
- Door leaf installation hinge side
- Hold-open systems with integrated hold-open function with free swing
- Barrier-free access in accordance with DIN 18040
Technical data
| TS 4000 EFS | |
| Closing force in accordance with EN 1154 | EN 1 - 6 |
| Barrier-free in accordance with DIN 18040 up to leaf width (max.) in mm | 1400 mm |
| Leaf width (max.) | 1400 mm |
| Type of installation | Door leaf installation hinge side |
| Opening angle (max.) | 180 ° |
| Input voltage | 24 V DC |
| Suitability for fire protection doors | Yes |
| Free swing area | 80 ° - 175 ° |
| Closing force adjustable | Yes, stepless |
| Adjustable closing speed | Yes |
| Latching action adjustable | Yes, via link arm |
| Position of closing force adjustment | Front |
| Visual closing force display | Yes |
| Hold-open function | Electrically, for free swing function |
Downloads
Variants & Accessories
* Notice about the products displayed
The products mentioned above may vary in form, type, characteristics and function (design, dimensions, availability, approvals, standards etc.) depending on the country. For questions please contact your GEZE contact person or send us an E-Mail .