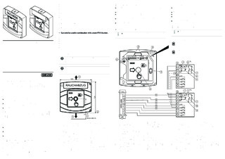
FT 4 A secondary unit * SHEV button for the connection to GEZE control panels
- Robust, lockable die-cast aluminium housing
- LED operating status displays alarm
- Reset button for resetting the alarm
- Verifiable release by snapping of push button
Application Areas
- For the connection to GEZE control panels
- To supplement a main FT 4 A button
- For manual smoke and heat extraction alarm triggering
- Surface-mounted installation
- Cable entry from above, below or the rear side
- Operation with 4 wire cable possible
Downloads
Variants & Accessories
* Notice about the products displayed
The products mentioned above may vary in form, type, characteristics and function (design, dimensions, availability, approvals, standards etc.) depending on the country. For questions please contact your GEZE contact person or send us an E-Mail .