TS 4000 S * Ferme-porte en applique avec bras à compas pour les portes à un vantail jusqu’à une largeur de vantail de 1400 mm avec temporisation de fermeture
- Force de fermeture réglable en continu EN 2-6
- Pour portes ouvrant à droite et à gauche sans besoin de modification
- Temporisation de fermeture réglable pour adapter la vitesse de fermeture de la porte jusqu’à un angle d'ouverture de 80° environ
- À-coup final hydraulique, qui accélère la porte juste avant la position fermée
- La vitesse de fermeture peut être ajustée individuellement
- Amortissement d'ouverture intégré, freine les portes fermées brusquement
- Affichage visuel de la force de fermeture pour contrôler facilement le réglage
- Toutes les fonctions sont réglables par l'avant
Domaines d’application
- Portes coupe-feu et pare-flammes
- Portes à simple action à droite et à gauche
- Portes battantes à simple action pour une largeur de vantail jusqu'à 1400 mm
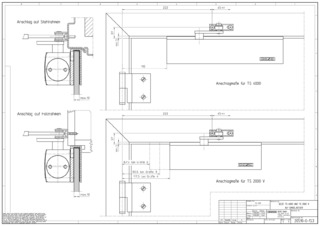
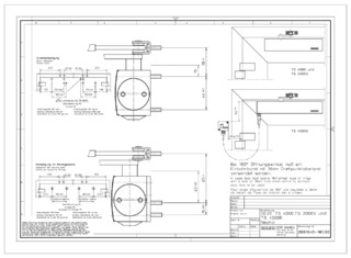
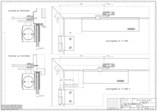
- Montage sur ouvrant côté paumelles et montage sur dormant côté opposé aux paumelles
- Montage sur ouvrant côté opposé aux paumelles avec montage bras parallèle, jusqu'à une force de fermeture conforme à la norme EN 5
Spécifications du produit
| TS 4000 S | |
| Force de fermeture selon EN 1154 | EN 2 - 6 |
| Accessibilité selon DIN 18040 jusqu'à une largeur de vantail (max.) en mm | 1100 mm |
| Largeur de vantail (max.) | 1400 mm |
| Type de montage | Montage sur ouvrant de porte côté paumelles, Montage sur dormant côté opposé aux paumelles, Montage sur ouvrant côté opposé aux paumelles |
| Angle d'ouverture (max.) | 180 ° |
| Homologation pour portes coupe-feu | Oui |
| Force de fermeture réglable | Oui, à plage continue |
| Vitesse de fermeture réglable | Oui |
| À-coup final réglable | Oui, par valve |
| Freinage à l‘ouverture intégré | Oui, réglage hydraulique possible |
| Retard à la fermeture intégré | Oui |
| Position de réglage de la force de fermeture | Avant |
| Affichage visuel de la force de fermeture | Oui |
| Fonction maintien porte ouverte | en option |
Téléchargements
Variantes et accessoires
* Remarque concernant les produits présentés
Les produits mentionnés ci-dessus peuvent varier en termes de forme, de type, de caractéristiques et de fonction (design, dimensions, disponibilité, homologations, normes, etc.) selon les pays. Pour toute question, veuillez contacter votre interlocuteur GEZE ou nous écrire à E-Mail .